产品
28圈电竞焊接/搬运专家
始于焊接,不止于焊接
始于焊接,不止于焊接
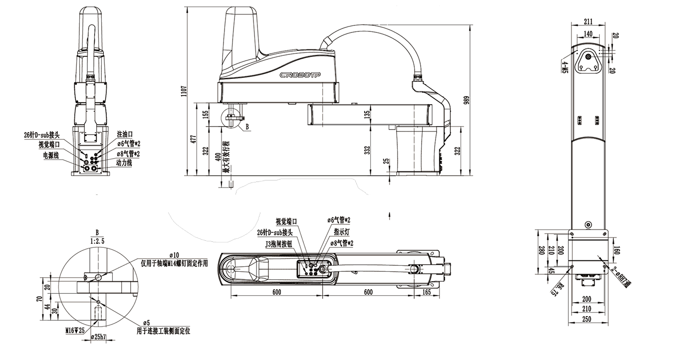
• 机器人最大负载可达60kg,臂展可达1200mm,Z轴有效行程可满足400mm。
• 标准门型节拍可达0.79s,速度更快,实现快速搬运机器人。
• 内置1路千兆网线,可满足在需要网线通讯方式,减少线路干涉。
• 产品结构紧凑,本体重120kg。结合软件算法处理,机器人能在实际应用中稳定、有效地运行。


